相关产品
×

| 基本性能 | ||||||||||||||||||||||||||
|
最大功率 (W) |
电压 (V) |
最大电流 (A) |
KV |
空载电流 (A) |
电阻 (mΩ) |
极数 |
电机尺寸 (mm) |
定子尺寸 (mm) |
安装尺寸 (mm) |
净重 (g) |
推荐桨叶 (inch) |
|||||||||||||||
| 1400(6S) | 2S~6S | 55(6S) | 1350 | 1.8 | 82 | 14 | φ33*19.6 | φ28*7 | M3-19*19 | 52 | 6"~7" | |||||||||||||||
| 测试数据 | ||||||||||||||||||||||||||
| 螺旋桨 | KV值 | 油门 |
电压 (V) |
电流 (A) |
拉力 (g) |
转速 (RPM) |
功率 (W) |
力效 (g/W) |
||||||||||||||||||
| GF7037*3 | 1350 | 10% | 24.67 | 0.3 | 41 | 3149 | 6.49 | 6.28 | ||||||||||||||||||
| 20% | 24.67 | 1.1 | 166 | 6076 | 26.40 | 6.30 | ||||||||||||||||||||
| 30% | 24.65 | 2.74 | 375 | 8822 | 67.57 | 5.55 | ||||||||||||||||||||
| 40% | 24.64 | 5.23 | 628 | 11254 | 128.97 | 4.87 | ||||||||||||||||||||
| 50% | 24.61 | 8.18 | 866 | 13189 | 201.29 | 4.30 | ||||||||||||||||||||
| 60% | 24.57 | 12.66 | 1178 | 15327 | 311.03 | 3.79 | ||||||||||||||||||||
| 70% | 24.52 | 19.13 | 1570 | 17586 | 468.99 | 3.35 | ||||||||||||||||||||
| 80% | 24.47 | 26.52 | 1955 | 19595 | 648.99 | 3.01 | ||||||||||||||||||||
| 90% | 24.40 | 35.37 | 2367 | 21357 | 862.91 | 2.74 | ||||||||||||||||||||
| 100% | 24.31 | 45.81 | 2722 | 22783 | 1113.52 | 2.44 | ||||||||||||||||||||
| HQ7X37*3 | 1350 | 10% | 24.67 | 0.3 | 36 | 3171 | 6.24 | 5.80 | ||||||||||||||||||
| 20% | 24.67 | 1.0 | 153 | 6120 | 25.19 | 6.07 | ||||||||||||||||||||
| 30% | 24.67 | 2.63 | 352 | 8909 | 64.78 | 5.43 | ||||||||||||||||||||
| 40% | 24.65 | 5.11 | 607 | 11291 | 126.01 | 4.82 | ||||||||||||||||||||
| 50% | 24.63 | 8.05 | 846 | 13339 | 198.27 | 4.27 | ||||||||||||||||||||
| 60% | 24.59 | 12.61 | 1159 | 15420 | 309.96 | 3.74 | ||||||||||||||||||||
| 70% | 24.53 | 19.10 | 1529 | 17642 | 468.40 | 3.26 | ||||||||||||||||||||
| 80% | 24.48 | 26.90 | 1915 | 19605 | 658.61 | 2.91 | ||||||||||||||||||||
| 90% | 24.41 | 35.80 | 2274 | 21297 | 873.78 | 2.60 | ||||||||||||||||||||
| 100% | 24.32 | 46.19 | 2537 | 22602 | 1123.37 | 2.26 | ||||||||||||||||||||
LN2807 无刷电机 —— 6S 1300KV / 5S 1500KV / 4S 1700KV,适合FPV竞速无人机
×

| 基本性能 | |||||||||||||||||||||||||
|
最大功率 (W) |
电压 (V) |
最大电流 (A) |
KV值 |
空载电流 (A) |
电阻 (mΩ) |
极数 |
电机尺寸 (mm) |
定子尺寸 (mm) |
安装尺寸 (mm) |
净重 (g) |
推荐桨叶 (inch) |
||||||||||||||
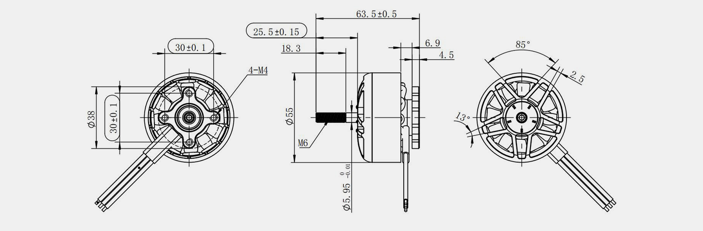
| 1052 | 25~33.6 | 45 | 350 | 1.5 | 45 | 14 | φ55*38 | φ47*15 | M3-30*30 | 277 | 13" | ||||||||||||||
| 测试数据 | |||||||||||||||||||||||||
| 螺旋桨 | kV 值 |
油门 (%) |
电压 (V) |
电流 (A) |
转速 (RPM) |
输出功率 (W) |
输入功率 (W) |
系统力效 (G/W) |
|||||||||||||||||
| GF1310*3 | 350kV | 30 | 25.13 | 0.304 | 1737.5 | 285 | 7.6 | 4.959 | |||||||||||||||||
| 35 | 25.1 | 1.128 | 2188.7 | 346.9 | 28.3 | 4.644 | |||||||||||||||||||
| 40 | 25.07 | 2.15 | 2586.8 | 395.4 | 53.9 | 4.6 | |||||||||||||||||||
| 45 | 25.01 | 3.905 | 3072.1 | 444.1 | 97.7 | 4.814 | |||||||||||||||||||
| 50 | 24.96 | 5.722 | 3427.8 | 469.5 | 142.8 | 5.128 | |||||||||||||||||||
| 55 | 24.9 | 7.707 | 3734.9 | 484.3 | 191.9 | 5.495 | |||||||||||||||||||
| 60 | 24.82 | 10.228 | 4070.8 | 494.1 | 253.9 | 5.973 | |||||||||||||||||||
| 65 | 24.7 | 13.866 | 4458 | 491.4 | 342.5 | 6.798 | |||||||||||||||||||
| 70 | 24.59 | 17.485 | 4785.6 | 481.2 | 429.9 | 7.62 | |||||||||||||||||||
| 75 | 24.45 | 21.663 | 5093.5 | 460.1 | 529.7 | 8.72 | |||||||||||||||||||
| 80 | 24.3 | 26.413 | 5384.7 | 428.8 | 641.8 | 10.186 | |||||||||||||||||||
| 85 | 24.13 | 31.418 | 5661.1 | 393.6 | 758.3 | 11.977 | |||||||||||||||||||
| 90 | 23.96 | 36.765 | 5909.1 | 352.2 | 880.9 | 14.277 | |||||||||||||||||||
| 95 | 23.75 | 42.922 | 6131.1 | 300.8 | 1019.5 | 17.8 | |||||||||||||||||||
| 100 | 23.7 | 44.411 | 6217.5 | 292.6 | 1052.3 | 18.591 | |||||||||||||||||||
6S 320kV 350kV 380kV无人机电机LN4715 1.5kg推力
×

| 基本性能 | |||||||||||||||||||||||||
|
最大功率 (W) |
电压 (V) |
最大电流 (A) |
KV值 |
空载电流 (A) |
电阻 (mΩ) |
极数 |
电机尺寸 (mm) |
定子尺寸 (mm) |
安装尺寸 (mm) |
净重 (g) |
推荐桨叶 (inch) |
||||||||||||||
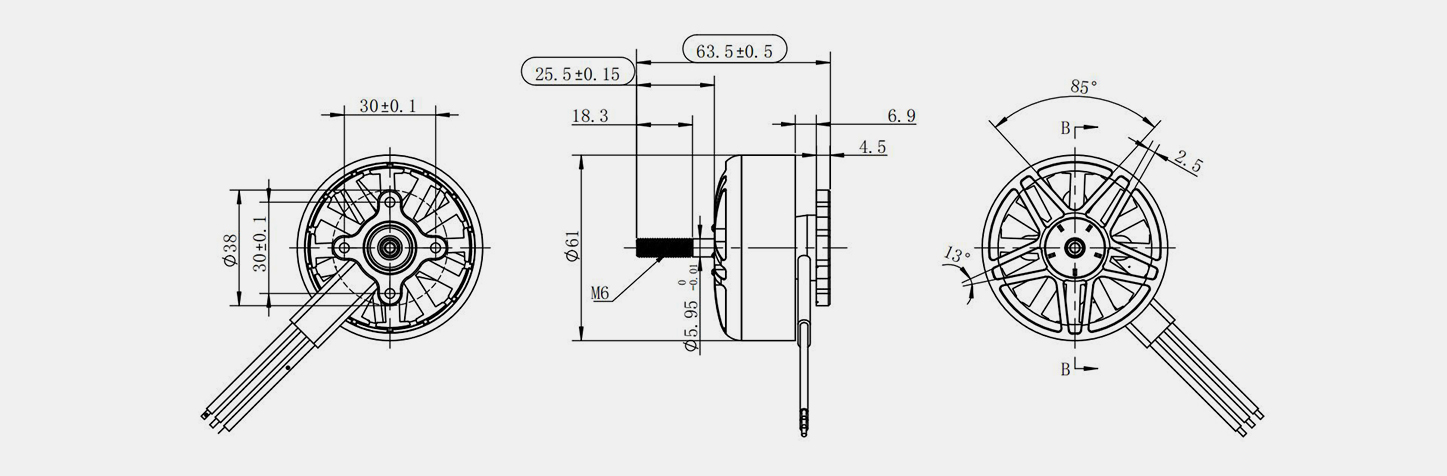
| 1810 | 25.2~33.6 | 65 | 380 | 0.8 | 25 | 14 | φ49*32.5 | φ42*14 | M4- 30*30 | 246 | 13"~15" | ||||||||||||||
| 测试数据 | |||||||||||||||||||||||||
| 螺旋桨 | kV 值 | 油门 |
电压 (V) |
电流 (A) |
拉力 (g) |
转速 (RPM) |
功率 (W) |
力效 (g/W) |
|||||||||||||||||
| GF1308-3 | 380 | 10% | 32 | 0.36 | 38.95 | 1117 | 11.52 | 3.38 | |||||||||||||||||
| 20% | 31.99 | 1.11 | 217.75 | 2378 | 35.51 | 6.13 | |||||||||||||||||||
| 30% | 31.98 | 2.432 | 521.91 | 3578 | 77.78 | 6.71 | |||||||||||||||||||
| 40% | 31.97 | 4.498 | 917.14 | 4687 | 143.80 | 6.38 | |||||||||||||||||||
| 50% | 31.95 | 8.101 | 1468.01 | 5893 | 258.83 | 5.67 | |||||||||||||||||||
| 60% | 31.92 | 13.087 | 2113.34 | 6998 | 417.74 | 5.06 | |||||||||||||||||||
| 70% | 31.87 | 19.97 | 2891.65 | 8108 | 636.44 | 4.54 | |||||||||||||||||||
| 80% | 31.82 | 30.557 | 3884.21 | 9313 | 972.32 | 3.99 | |||||||||||||||||||
| 90% | 31.74 | 42.237 | 4809.52 | 10294 | 1340.60 | 3.59 | |||||||||||||||||||
| 100% | 31.63 | 56.802 | 5848.57 | 11283 | 1796.65 | 3.26 | |||||||||||||||||||
| HQ15X7-3 | 380 | 10% | 24.00 | 0.3 | 51 | 881 | 8.04 | 6.30 | |||||||||||||||||
| 20% | 23.99 | 1.1 | 232 | 1808 | 25.33 | 9.18 | |||||||||||||||||||
| 30% | 23.98 | 2.35 | 520 | 2676 | 56.31 | 9.23 | |||||||||||||||||||
| 40% | 23.96 | 4.38 | 894 | 3489 | 104.94 | 8.52 | |||||||||||||||||||
| 50% | 23.94 | 8.24 | 1433 | 4394 | 197.24 | 7.26 | |||||||||||||||||||
| 60% | 23.90 | 13.54 | 2056 | 5234 | 323.51 | 6.36 | |||||||||||||||||||
| 70% | 23.86 | 20.59 | 2782 | 6043 | 491.18 | 5.66 | |||||||||||||||||||
| 80% | 23.79 | 30.04 | 3627 | 6824 | 714.58 | 5.08 | |||||||||||||||||||
| 90% | 23.71 | 41.50 | 4504 | 7560 | 983.97 | 4.58 | |||||||||||||||||||
| 100% | 23.65 | 55.29 | 5422 | 8266 | 1307.54 | 4.15 | |||||||||||||||||||
6S 320kV 350kV 380kV无人机电机LN5313 2kg推力
WO22系列 直流高速电机 —— 7.2V,20000转/分,手持风扇专用
W70系列 双电压驱动电机 —— 230VAC/12VDC 两用,适合偏远地区太阳能供电系统,金属外壳设计
